欢迎来到168体育平台官方网站-168(中国)

您当前所在的位置:主页 > 产品中心 > 链条连接件系列 >
CHAIN LINK SERIES
链条连接件系列

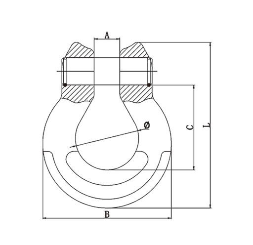
80级欧姆环

80级欧姆环

全国咨询热线:

更多联系方式
-产品详情- -产品参数-

产品参数

相关产品

创造客户价值 助力客户成功

168体育平台官方网站-168(中国)凭借着高新的技术、优异的品质及良好的服务赢得了客户点赞,在国内外众多企业大放异彩!

COPYRIGHT© 168体育平台官方网站-168(中国) ALL RIGHTS RESERVED